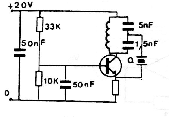
El cristal usado en este oscilador puede tener frecuencias de hasta 30 MHz o más, dependiendo del transistor. El transistor puede ser el 2N2222 y los condensadores deben ser cerámicos. La bobina debe ser elegida de acuerdo con la frecuencia del cristal para que resuene con los capacitores indicados.




