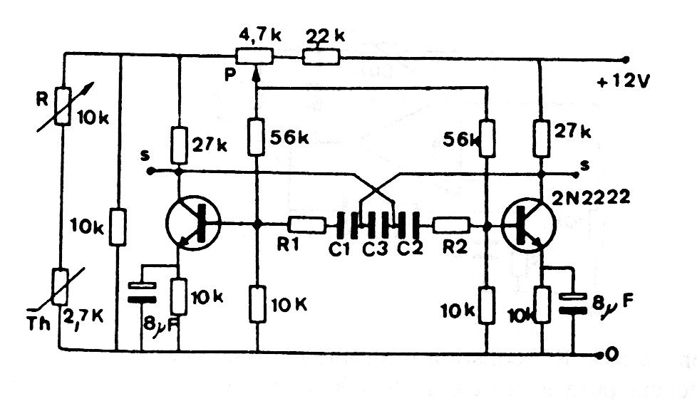
Este astable fue encontrado en una documentación técnica europea de los años 80. El circuito perfectamente simétrico no saturado tiene una frecuencia generada que depende de los capacitores C y del ajuste de R. Los dos transistores pueden ser 2N2222 los ajustes se hacen en P para el mejor punto de operación. El termistor compensa las variaciones de la frecuencia con la temperatura.




