Este circuito tiene una característica diferente: utiliza la propia capacitancia del transductor cerámico para determinar la frecuencia de operación. El circuito, simple de montar, puede ser utilizado con fines experimentales o didácticos.
Los transistores unijuntura ya no son muy usados, ma todavía sirven para muchos proyectos experimentales y didácticos que involucran la generación de sonidos o bajas frecuencias.
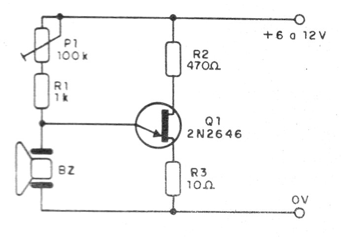
El circuito presentado es de un oscilador de relajación cuya frecuencia depende del ajuste de P1 y de la capacitancia del transductor.
La intensidad de sonido más alta se produce cuando se puede ajustar el circuito para la frecuencia de resonancia del transductor.
El circuito puede ser alimentado por tensiones entre 6 y 12 V.
En la figura 1 tenemos el diagrama completo del oscilador.
Puede ser necesario en algunos casos conectar un capacitor de 1 nF a 22 nF en paralelo con el transductor en caso de que no oscile.
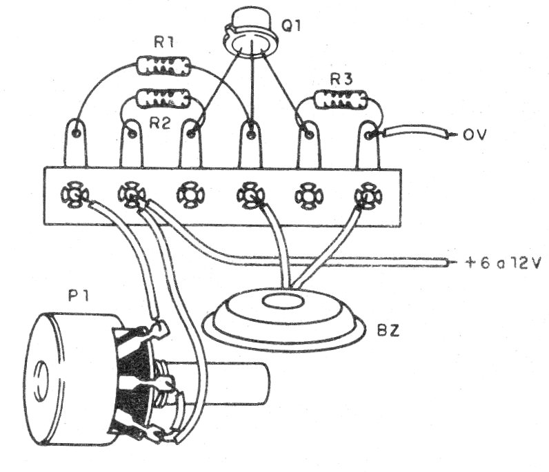
En la figura 2 tenemos una sugerencia para el montaje usando un pequeño puente de terminales.
Con finalidad didáctica será interesante utilizar una matriz de contactos.
Lista de material
Q1 - 2N2646 - transistores unijuntura
BZ - transductor cerámico (cápsula piezoeléctrica)
B1 - pilas o fuente - 6 a 12 V
P1 - 100k ohms - pote
R1 - 1k ohms x 1/8 W - resistor - marrón, negro, rojo
R2 - 470 ohms x 1/8 W - amarillo, violeta, marrón
Varios:
Puente de terminales, hilos, soldadura.





