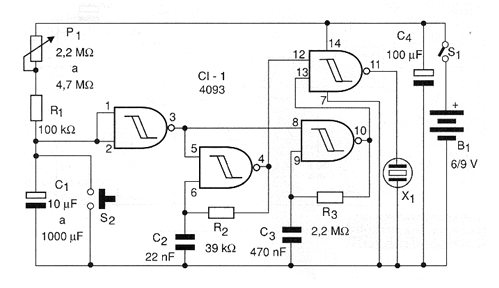
El circuito acciona un piezoeléctrico que emitirá bips intervalos cuya frecuencia e intervalo dependen, de C2 y C3. Este circuito se muestra en la figura utilizando sólo un circuito integrado 4093 con alimentación de 6 o 9 V. Al conectar la alimentación del circuito el condensador C1 se carga lentamente a través de P1 y R1, al mismo tiempo que el circuito permanece emitiendo bips intervalados. Cuando la carga del condensador alcanza lo suficiente para que la entrada de la primera puerta la reconozca como nivel alto, la salida va al nivel bajo y los dos circuitos osciladores formados por las puertas siguientes están deshabilitados. La cuarta puerta del circuito integrado funciona como un amplificador de búfer digital, excitando directamente el transductor piezoeléctrico de alta impedancia. El intervalo de tiempo máximo obtenido depende de C1 y el rearme del circuito se hace presionando por un momento S2. Una posibilidad de modificación de este circuito consiste en el accionamiento de un relé con una etapa de potencia, en cuyo caso quedará pulsando una carga de potencia hasta el final de la temporización. También se puede accionar un Darlington de potencia para control directo de una carga mayor.




