Las fuentes de alimentación pequeñas y los eliminadores de las pilas son siempre de gran utilidad. Lo que proponemos a los lectores es un circuito básico de fuente, que puede proporcionar tensiones de 3,6 o 9 V con corrientes hasta 500 mA, sirviendo para alimentar radios, grabadores, walkman, etc.
El circuito nada tiene de crítico, pudiendo ser instalado en una caja para mayor facilidad de uso.
El único punto importante es la colocación de los hilos de alimentación, cuya polaridad debe ser observada, principalmente en el caso del empleo de jack y enchufes.
Montaje
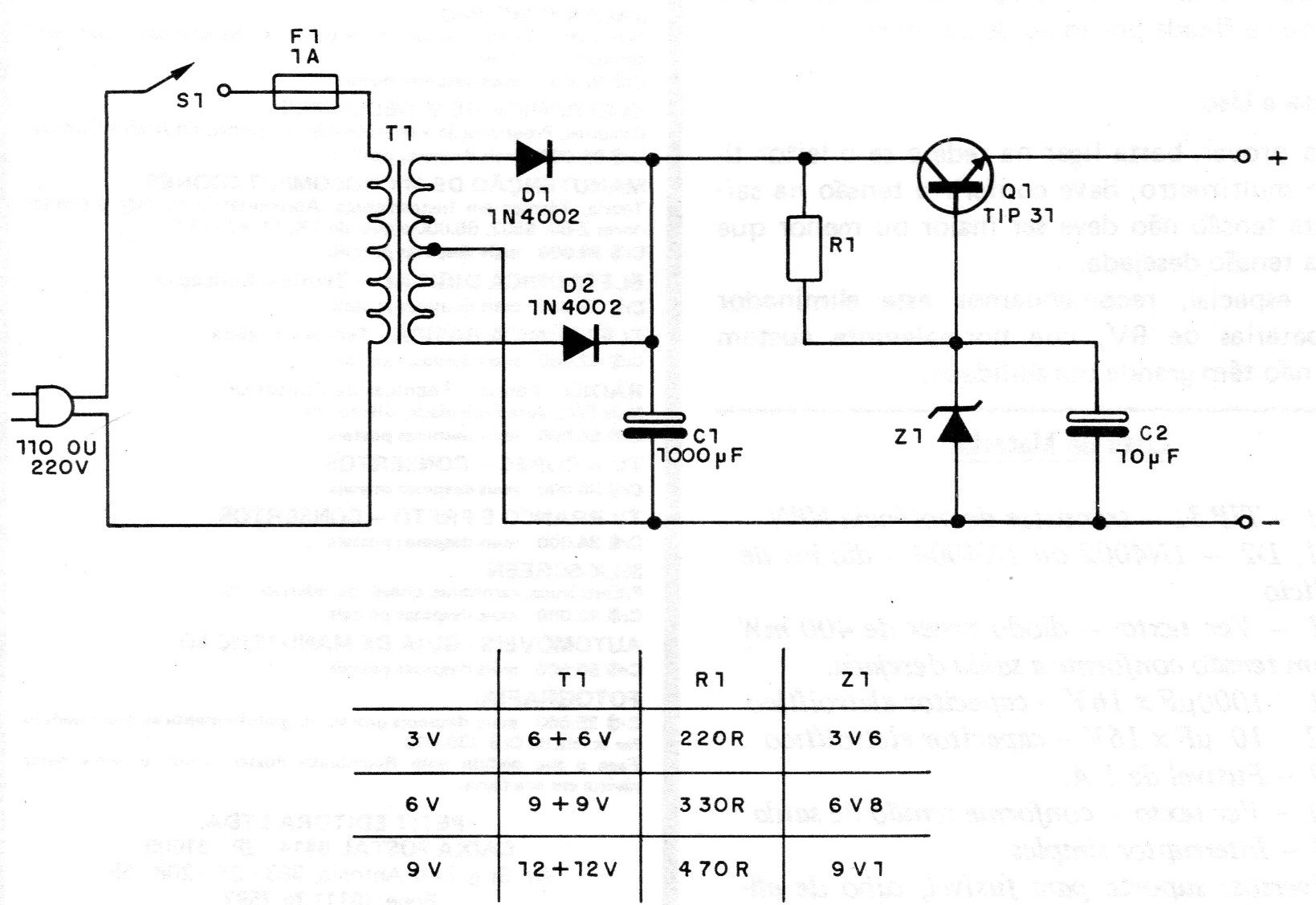
En la figura 1 damos el diagrama básico de la fuente.
Observe que T1, R1 y Z1 tienen valores que dependen de la tensión deseada en la salida.
Para saber cuál es la tensión del aparato que debe ser alimentado, basta con tener en cuenta que cada pila significa 1,5 V.
En la figura 2 tenemos el aspecto real del montaje.
En el montaje Observe la polaridad de los diodos D1 y DZ, del zener Z1 y de los capacitores electrolíticos C1 y C2.
El transformador debe tener devanado primario, de acuerdo con la red local y secundaria, conforme la tensión deseada y corriente de 500 mA.
El radiador de calor del transistor, consiste en una placa de metal de aproximadamente 3 x 3 cm, que se fija a través de un tornillo.
Prueba y uso
Para probar, basta con conectar en la red y si el lector tiene un multímetro, debe comprobar la tensión en la salida.
Esta tensión no debe ser mayor o menor que el 10% de la tensión deseada.
En especial, recomendamos este eliminador para baterías de 9 V, que normalmente cuestan caro y no tienen gran durabilidad.
Lista de material
Q1 - TIP 31 - transistores de potencia NPN
D1, D2 - 1N4002 o 1N4004 diodos de silicio
Z2 - Ver texto - diodo zener de 400 mW con tensión según la salida deseada.
C1 - 1 000 uF x 16 V - capacitor electrolítico
C2 - 10 uF x 16 V - capacitor electrolítico
F1 - Fusible de 1 A.
R1 - Ver texto - conforme tensión de salida
S1 - Interruptor simple
Varios: soporte para fusible, cable de alimentación, caja para montaje, puente de terminales, hilos, soldadura, etc.





