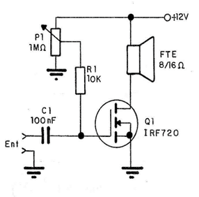
El circuito que se muestra a continuación muestra una aplicación lineal del FET de potencia, donde lo usamos como un amplificador de clase A, con una salida cercana a los 2 watts en un altavoz pequeño. El trimpot debe ajustarse para obtener una corriente de reposo de aproximadamente 50 a 100 mA en el altavoz. De esta manera, la tensión en el drenaje del transistor será diferente del suministro. Variaciones en la tensión base producirán entonces variaciones en la corriente de drenaje con la reproducción de la señal con excelente fidelidad.

El circuito utiliza cualquier FET de potencia con voltaje de fuente de drenaje superior a 100 V y corriente superior a 3 amperes. El diagrama del amplificador se muestra en la figura.

 


 

 

 

El transistor necesitará un radiador de calor.

 

 

Material:

 

Q1 – IRF720 o equivalente – MOSFET de potencia

P1 – 1 M ohm – trimpot

C1 – 100 nF – capacitor cerâmico o poliéster

R1 – 10 k ohm – resistor

FTE – 8 a 16 ohm – altavoz

Diversos:

Placa de circito impreso, radiador para el MOSFET etc.