Este tipo de oscilador utiliza una configuración fuera de lo común y puede ser utilizado como base de tiempo, metrónomo o ritmador. Los metrónomos o ritmadores son aparatos que producen señales luminosas o sonoras a intervalos regulares para fijar el compás de un ejercicio de gimnasia, una actividad física repetitiva o incluso la ejecución de una canción en un instrumento cualquiera. El circuito que proponemos puede ser usado con las finalidades sugeridas y muchas otras, como por ejemplo en señalización.
El ritmo de la música ejecutada por un aprendiz no siempre es constante lo que exige el empleo de aparatos denominados metrónomos. El tipo más simple es el de péndulo que además del ruido (tic-tac) tiene el balance para servir de base para que el músico no salga del ritmo. Este mismo tipo de metrónomo puede ser encontrado en los laboratorios de física experimental para la realización de experimentos que involucran intervalos de tiempo constantes.
El circuito que proponemos produce sólo el sonido, y con buen volumen, sirviendo para estudiantes de música, para el laboratorio de física y también para gimnasia. En este aparato tenemos un oscilador de relajación diferente, basado en una lámpara neón y un SCR, que producen pulsos (chasquidos) de buena intensidad en un altavoz. El rango de frecuencias va de fracción de hertz hasta algunos hertz.
El aparato es alimentado directamente por la red de energía de 110V o 220V y tiene excelente rendimiento, teniendo en cuenta el pequeño número de componentes usados. El lector tiene las siguientes posibilidades de uso para este aparato:
• Acompañamiento de música
• Fijación de ritmo para ejercicios de gimnasia o danza
• Limitación de tiempo por recuento de pulsos
• Experiencias de física
Características:
• Tensión de alimentación: 110/220 VCA
• Consumo: 1 W (aprox.)
• Potencia de las muñecas: 4W (pico)
• Rango de frecuencias: 0,05 a 10 Hz
COMO FUNCIONA
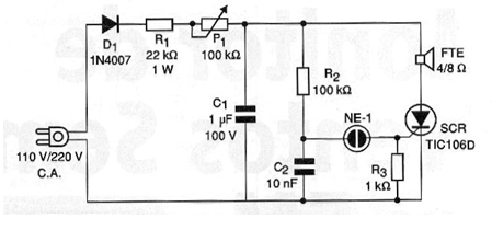
La tensión de la red de energía es rectificada, sirviendo para cargar lentamente, a través de R1 y P1, el capacitor C1. La carga de este capacitor determina la energía o potencia del pulso sonoro que se va a producir.
Cuando la tensión en el capacitor alcanza aproximadamente 80V, que es la tensión de disparo de la lámpara neon, al mismo tiempo, a través de R2 alcanza el mismo valor la tensión en el capacitor C2. Esto ocurre porque la constante de tiempo de R2 y C2, mucho menor que la del circuito formado por P1, R1 y C1.
Con esta tensión, la lámpara neón se dispara y con ello la conducción de una corriente para la conducción del SCR. El resultado final es que, con la conducción del SCR, el capacitor C1 se coloca prácticamente en corto a través del altavoz. La descarga consecuente es un pulso único de corta duración y gran intensidad que produce un sonido en el altavoz.
Con la descarga del capacitor el SCR apaga y nuevamente el capacitor C1 se descarga hasta que se alcanza nuevamente la tensión de disparo de la lámpara neón y por lo tanto del SCR. La frecuencia es dada básicamente por la velocidad con que C1 se carga y por lo tanto puede ser ajustada en P1. Los capacitores mayores para C1 producen pulsos más intensos, pero hay un límite para este valor, ya que una corriente muy alta en la descarga puede dañar tanto el SCR y el altavoz.
Los capacitores de hasta 20 uF con tensiones de trabajo de al menos 150V pueden ser experimentados.
MONTAJE
En la figura 1 tenemos el diagrama completo del metrónomo.

Como se utilizan pocos componentes se puede utilizar una pequeña placa de circuito impreso para el montaje. Así, tenemos la disposición de los componentes en esta placa mostrada en la figura 2.

El resistor R1 debe ser de 1W y los demás son de 1 / 8W o mayores. El capacitor C1 tanto puede ser de poliéster como un electrolítico de 1 a 10 uF con una tensión mínima de trabajo de 150V. El capacitor C2 debe ser de poliéster con al menos 150V de tensión de trabajo. Para la red de 110V se puede utilizar el TIC106B y para la red de 220V se recomienda el SCR TIC106D. La lámpara de neón y el potenciómetro son de tipos comunes.
Para el diodo D1 tenemos el 1N4004 o 1N4007 si la red es de 110V, pero si es de 220V debe ser usado solamente el 1N4007. El altavoz, de 4 ó 8 ohmios de al menos 10 cm de diámetro.
PRUEBA Y USO
Un punto importante a ser observado en este proyecto es que su alimentación es hecha directamente por la red de energía y que por eso su circuito está sometido a tensiones elevadas, capaces de causar choques peligrosos.
Por lo tanto, al probar el lector debe tomar todas las precauciones en relación a esto y en el montaje, debe aislar o cerrar en la caja todas las partes que puedan causar choques por el contacto. Conectando el aparato a la red de alimentación y ajustándose P1 debemos tener parpadeos de la lámpara neon y al mismo tiempo, la emisión de estallidos ritmados por el altavoz.
Si la lámpara parpadea, pero no hay emisión de sonido, compruebe la continuidad de la bobina del altavoz y el estado del SCR. Si los intermitentes son muy rápidos y no hay sonido, el problema puede estar en C1. Comprobado el funcionamiento, el montador puede adaptar una escala al botón de P1 que puede calibrar en términos de golpes por minutos o incluso en hertz.
Después de eso, es sólo cerrar el aparato definitivamente en una caja plástica o de madera y usarlo. La lámpara de neón puede quedar en un lugar visible para obtener un rítmo visual. Para frecuencias más bajas, aumente P1 a 1 M ohmios y C1 a 2,2 o incluso 4,7 uF.
LISTA DE MATERIAL
Semiconductores:
SCR - TIC106B (110V) o TIC106D (220V) - diodo controlado de silicio
D1 - 1N4004 o 1N4007 - diodo - ver texto
Resistores:
R1 - 22k x 1W - rojo, rojo, naranja
R2 - 100 k ohms x 1 / 8W - marrón, negro, amarillo
R3 - 10 k ohms x 1 / 8W - marrón, negro, naranja
P1 - 100k ohms - potenciómetro
Capacitores:
C1 - 1 uF x 150V - poliéster o electrolítico
C2 - 10 nF (103 o 0,01) - capacitor de poliéster
Varios:
NE-1 - lámpara de neón común
FTE - 4 ó 8 ohms x 10 cm - Altavoz común
Placa de circuito impreso, cable de alimentación, caja para montaje, botón para el potenciómetro, hilos, soldadura, etc.



