Este proyecto permite emular un foto-tiristor, es decir, una foto SCR usando un fototransistor común como sensor. El circuito se puede utilizar en sistemas de control remoto, alarmas y otros, disparando un SCR de mayor potencia.
Lo que tenemos es una configuración regenerativa muy sensible que dispara de muy rápido cuando el sensor recibe luz. El circuito se utiliza como un componente común y la alimentación se puede realizar con tensiones de 9 a 15 V.
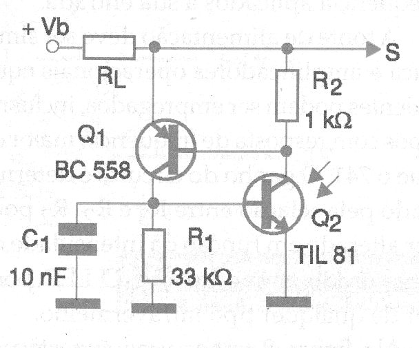
En la figura 1 tenemos el diagrama del foto-tiristor.

En la figura 2 su montaje en una pequeña placa de circuito impreso.

Los fototransistores equivalentes se pueden utilizar, así como cualquier PNP de uso general para Q1.
Lista de material
Q1 - BC558 – transistor PNP de uso general
Q2 – TIL81 – o outro foto-transistor
RL – Vea texto
R1 – 33k x 1/8W – resistor
R2 – 1k x 1/8 W – resistor
C1 – 10 nF – capacitor de poliéster
Vários:
Placa de circuito impreso, hilos, soldadura, etc.



