Con este simple circuito es posible detectar fuentes emisoras de infrarrojos como mandos a distancia, LEDs infrarrojos y otros. El circuito utiliza un LED como indicador. Podemos usar este detector en laboratorios de física y como pruebas de LED infrarrojos.
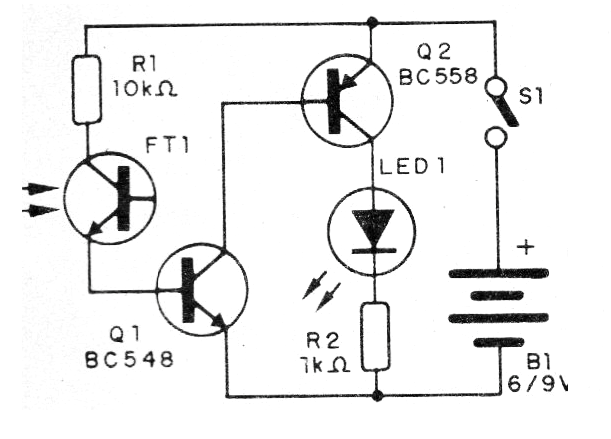
El circuito tiene como sensor un foto-transistor que responde tanto al rango de luz visible como a los infrarrojos. La alimentación se puede realizar con pilas comunes o una batería de 9 V. El consumo del aparato es muy bajo. El foto-transistor puede ser de cualquier tipo. En la figura 1 tenemos el diagrama completo del sensor.

El circuito se puede montar en la matriz de contactos, placa de circuito impreso o puente de terminales. En la figura 2 mostramos el montaje en puente, más indicado para los principiantes.
Lista de material
FT1 - Foto transistor de cualquier tipo
Q1- BC548 - transistores NPN de uso general
Q2 - BC558 - transistores PNP de uso general
LED1 - LED común de cualquier color
R1 - 10 k ohms x 1/8 W - resistor - marrón, negro, naranja
R2 - 1 k ohms x 1/8 W - resistor - marrón, negro, rojo
S1 - Interruptor simple
B1 - 6 V o 9 V- 4 pilas o batería
Varios: puente de terminales o placa de circuito impreso, caja para montaje, hilos, soldadura, etc.




