Este pulsador para un LED, o Flasher, tiene un consumo extremadamente bajo, pudiendo ser alimentado por pilas o baterías, que tendrán enorme durabilidad. El circuito funciona con tensiones de 3 a 12 V.
Este circuito tiene como base la versión CMOS del conocido 555 que es la TLC555 o TL555 de bajísimo consumo.
El circuito requiere una corriente media de algunos microampères, lo que significa una enorme durabilidad para las pilas o baterías utilizadas en su alimentación.
La frecuencia depende de C1 que puede cambiar en una amplia gama de valores y el LED puede ser de cualquier color.
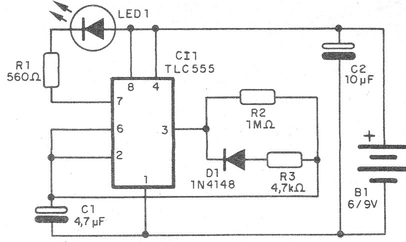
En la figura 1 tenemos el diagrama completo del pulsador.
El montaje se puede realizar en una matriz de contactos, o en una placa de circuito impreso con el patrón mostrado en la figura 2.

Observe la posición del integrado, de los diodos y del LED en el montaje.
Lista de material
CI-1 - TLC7555 (555 CMOS) - circuito integrado
D1 - 1N4148 - diodo de uso general
LED1 - LED de cualquier color
R1 - 560 ohms x 1/8 W - resistor - verde, azul, marrón
R2 - 1 M ohms x1 / 8 W - resistor - marrón, negro, verde
R3 - 4k7 x 1/8 W - resistor - amarillo, violeta, rojo
C1, C2 - 10 uF x 6 V - capacitor electrolítico
B1 - 3 a 6 V - 2 a 4 pilas de cualquier tamaño
varios
Placa de circuito impreso, soporte de pilas, hilos, soldadura, etc.




