Esta fuente sólo utiliza componentes pasivos (sin transistores o circuitos integrados) e incluso puede proporcionar tensiones con buen ajuste en pasos de 0,7 V y una corriente de salida de hasta 200 mA. Newton C. Braga
Lea más:
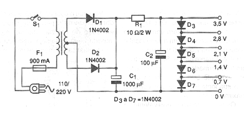
Son 5 tensiones indicadas en el diagrama y que pueden ser utilizadas hasta simultáneamente, si los aparatos alimentados, en su totalidad no precisan más que la corriente indicada.
El circuito consta de un rectificador, filtro y luego un sistema reductor que aprovecha la caída de tensión en el sentido directo de un diodo en conducción. Esta tensión varía entre 0,6 y 0,7 V por diodo, lo que permite escalonar la tensión rango indicada con una tolerancia entre 10% y 20% típicamente.
El filtrado de la fuente es bueno, lo que permite la alimentación de pequeños aparatos que normalmente usen una o dos pilas.
En la figura 1 tenemos el diagrama completo de la fuente propuesta.

El montaje de la fuente sobre la base de un puente de terminales se muestra en la figura 2.

El transformador tiene devanado primario de acuerdo con la red de energía, es decir, 110 V o 220 V. El secundario es de 6 + 6 V con corrientes de 200 mA a 500 mA,
El capacitor C1 debe tener una tensión de trabajo de 12 V o más y la resistencia R1 debe ser de alambre con al menos 2 W de disipación. Los diodos son 1N4002 o equivalentes.
Para la salida queda a criterio del lector la elección del modo de conexión a los circuitos externos. Una salida es el uso de bornes con las tensiones identificadas, donde serían conectados enchufes con hilos y garras jacaré.
El común va al borne negro y el rojo al borne con la tensión deseada. Otra posibilidad para el montaje consiste en emplear una llave selectora.
Para usar, basta con elegir la salida deseada y el punto de cero voltio que se utilizarán en la conexión al circuito externo. Antes de usar la fuente, si desea una buena precisión de indicación, compruebe con el multímetro la tensión real que se está obteniendo en cada salida.
Si al alimentar algún aparato la tensión cae mucho es señal que él está exigiendo una corriente mayor que la que la fuente puede proporcionar.
Lista de material
D1 a D7 - 1N4002 - diodos rectificadores
R1 - 10 ohms x 1 W - resistor de hilo
C1 - 1 000 uF x 12 V - capacitor electrolítico
C2 - 100 uF x 12 V - capacitor electrolítico
T1 - Transformador con primario según la red local y secundaria de 6 + 6 V x 200 a 500 mA
F1 - Fusible de 500 mA
S1 - Interruptor simple
Varios:
Puente de terminales, cable de alimentación, caja para montaje, soporte de fusible, hilos, soldadura, bornes de salida, etc.



