Este circuito sirve para demostrar el principio de funcionamiento de los LDR, accionando un LED con la luz que incide en este componente. Podemos usarlo en demostraciones o clases de tecnología o para la remoción remota de luz, conectando el LDR al circuito por un largo hilo.
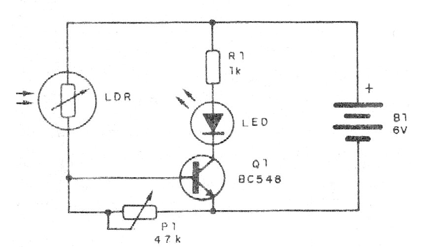
El circuito tiene su sensibilidad controlada por un potenciómetro y es alimentado por 4 pilas pequeñas. Cualquier LDR puede usarse y el LED puede ser de cualquier color. En la figura 1 tenemos el diagrama completo del aparato.
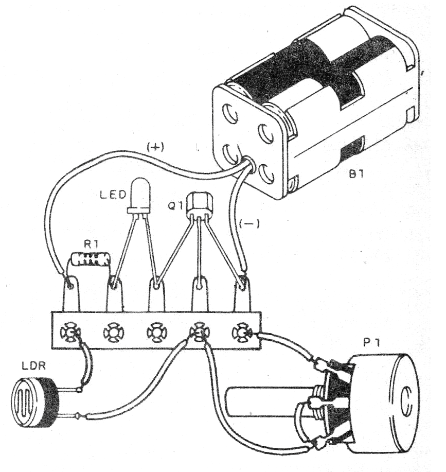
En la figura 2 tenemos el montaje en un puente de terminales. Para clases, sugerimos el montaje en matriz de contactos. El LED puede ser de cualquier color.
Para probar y usar, ajuste el potenciómetro de modo que al colocar la mano delante del LDR haciendo sombra el LED se apague.
Lista de material
Q1 - BC548 o equivalente - transistores NPN de uso general
LDR - LDR común de cualquier tipo
LED - LED común de cualquier color
P1 - 47k ohms - potenciómetro
R1 - 1 k ohms x 1/8 W - resistor - marrón, negro, rojo
Varios: soporte de pilas, puente de terminales, hilos, soldadura, etc.





