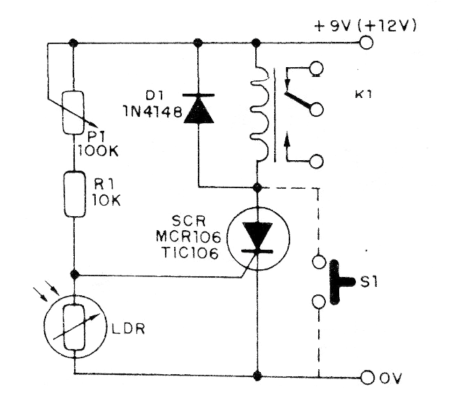
Cuando el paso de una persona delante de un LDR iluminado interrumpe la luz por unos instantes, el circuito dispara disparando y trabando un relé. El relé se utiliza para controlar un sistema de sirena u otro que haga mucho ruido.
El LDR debe montarse en un tubo opaco con una lente que apunte a una fuente de luz de modo que el paso de alguien entre ellos interrumpe el haz. El ajuste de sensibilidad se realiza en P1.
El circuito puede funcionar con relés de 6 V para una alimentación de 9 V y 12 a 14 V para relés de 12 V.
Para rearmar el circuito basta presionar por un instante S1 o desconectar y volver a conectar la alimentación.
En la figura 1 tenemos el diagrama completo de la alarma.
El montaje en una placa de circuito impreso se muestra en la figura 2.
Lista de materiales:
SCR - TIC106 o equivalente
D1- 1N4148 - diodo de silicio
K1- Relé – ver texto
LDR - LDR redondo común
P1 - 100k ohms - trimpot o pote
R1 - 10 k ohms x 1/8 W - resistor - marrón, negro, naranja
Varios:
Placa de circuito impreso, fuente de alimentación, hilos, soldadura, caja para montaje, etc.





