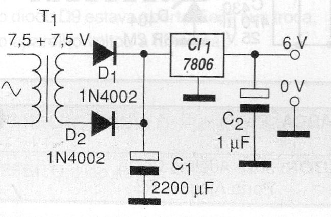
Para alimentar a los pequeños proyectos que requieren corrientes de hasta 1 A, se dará una fuente fija fácil de montar y muy eficiente, ya que cuenta con regulación electrónica y protección contra cortocircuitos en la salida. Esta fuente, que se muestra en la figura 1, hace uso de un circuito integrado 7806.

 


| Clique na imagem para ampliar |

 

 

El montaje se puede realizar con el uso de un pequeño puente de terminales como se muestra en la Figura 2.

 


| Clique na imagem para ampliar |

 

 

El circuito integrado puede regular corrientes de hasta 1 A, pero que determina la intensidad final de la corriente en la salida es el transformador.

 

Así que si el lector el uso de un transformador de corriente más pequeña, esto será la corriente máxima de su fuente.

 

El circuito integrado debe ser provisto de un radiador de calor y el transformador debe tener arrollamiento primario con una tensión de acuerdo con su red de energía.

 

Los capacitores electrolíticos tienen las tensiones de trabajo mínimas indicadas en la lista de materiales y los diodos admiten equivalente. Para una tensión de 5 V a la salida sólo tiene que utilizar el 7805. Por 12 V, utilice un transformador de 12 V y el IC 7812.

 

 

 

Lista de los materiales

 

IC1 – 7806 - regulador de voltaje - circuito integrado

D1, D2 - diodos rectificadores de silicio - 1N4002

T1 – Transformador com primario de acuerdo a la red local y secundaria de 7,5 + 7,5 V o 9 + 9 V

C1 - 2 200 uF x 12 V - capacitor electrolítico

C2 - 1 uF x 12 V - capacitor electrolítico

Varios:

Puente de terminales, cable de alimentación, caja de montaje, radiador de calor para IC, cables, soldadura, etc.