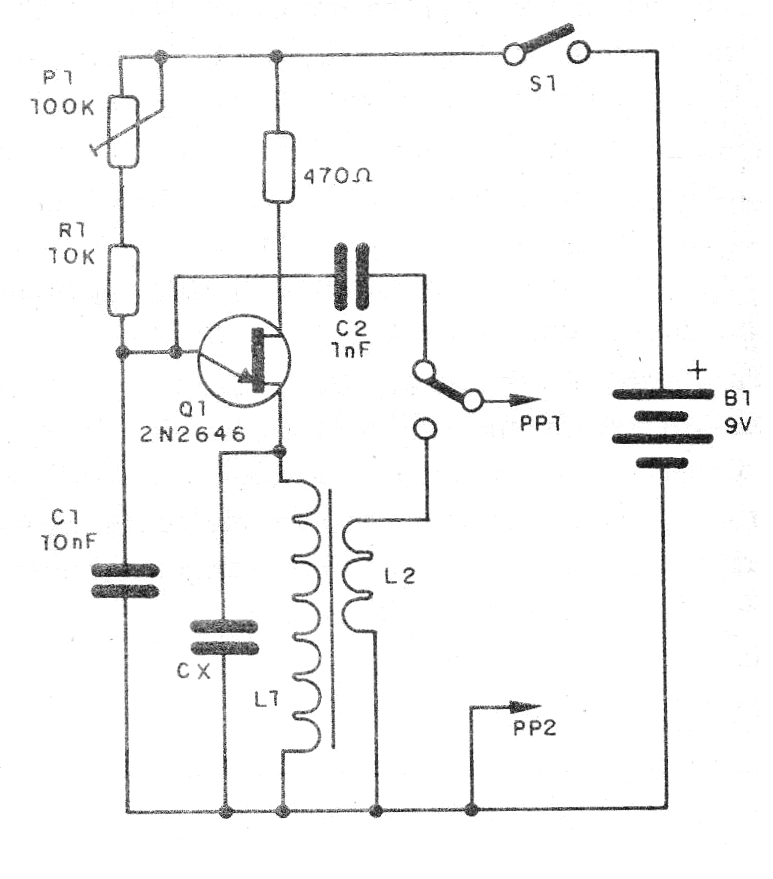
Un solo transistor unijuntura posibilita la construcción de este instrumento de gran utilidad en el diagnóstico de defectos en equipos de audio.
Hemos hablado mucho en nuestros artículos de los inyectores de señales y de su utilidad además de siempre dar proyectos de esos aparatos. Pues bien, tenemos otro inyector de señales que, esta vez, utiliza un transistor ya no muy común, que es el transistor unijuntura (UJT).
El circuito genera una señal en la pista de audio, pero cuyos armónicos alcanzan frecuencias más altas, incluso para las pruebas de RF. El circuito tiene un consumo muy bajo, pudiendo ser alimentado por una batería de 9 V.
Se trata de un oscilador de relajación cuya frecuencia depende de C1 y puede ajustarse en P1. Los pulsos del oscilador se aplican a un transformador para su aplicación en el circuito externo. Tenemos dos opciones de pulsos para pruebas, según la llave selectora. En la posición superior tenemos pulsos negativos y en la inferior pulsos positivos.
La figura 1 muestra el diagrama completo del inyector y en la figura 2 tenemos su montaje en un puente de terminales.
El transformador se enrolla en un bastón de ferrita con cable 32 o más fino. L1 consta de 100 a 200 espiras de hilo y L2 por 20 a 40 espiras del mismo hilo, sobre L1, como muestra la figura.
Los demás componentes son todos comunes y en lugar del trimpot se puede utilizar un potenciómetro del mismo valor. Para probar, basta con aproximar el circuito de una radio de ondas medias colocadas cerca y sintonizar en una frecuencia libre.
Lista de material
Q1 - 2N2646 - transistores unijuntura
P1 - 100 k - trimpot
R1 - 10k ohms x 1/8 W - resistor - marrón, negro, naranja
E2 - 470 ohms x 1/8 W-resistor - amarillo, violeta, marrón
L1, L2- Bobinas - ver texto
C1- 10 nF - capacitor de cerámica
Cx - capacitor entre 1 nF y 10 nF - obtener experimentalmente
PP1, PP2 - Puntas de prueba
S1 - Interruptor simple
S2 - Llave de 1 polo x 2 posiciones
B1- 9 V - batería
Varios: puente de terminales, conector de batería, hilos, soldadura, etc.





