Si el lector tiene un auricular de baja impedancia (del tipo que se encuentra en muchos aparatos portátiles) sabe que no puede utilizarlos en muchos proyectos que requieren auriculares sensibles de alta impedancia, como radios experimentales, intercomunicadores, radios de galena o cristal, (En inglés).

La solución que presentamos en este artículo resuelve este problema, convirtiendo su auricular de baja impedancia en un auricular de alta impedancia con gran sensibilidad y amplificación.

Se trata de un simple circuito alimentado por dos pilas pequeñas que convierte el auricular de baja impedancia en un sensible auricular con 100 k ohms de impedancia de entrada. El circuito puede incluso ser utilizado como un sensible seguidor de señales.

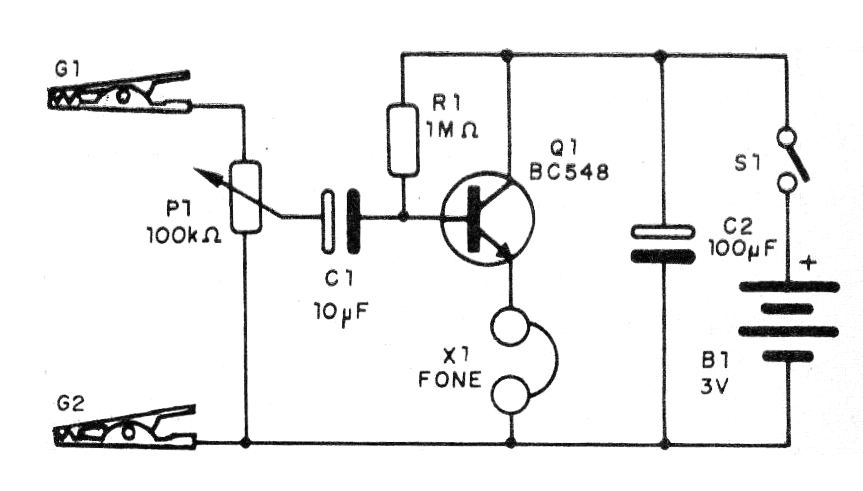
La baja corriente requerida por el circuito garantiza una excelente durabilidad para las pilas usadas en la alimentación. En la figura 1 tenemos el diagrama completo del amplificador para auricular.

 

Figura 1 - Diagrama del Amplifone
Figura 1 - Diagrama del Amplifone | Clique na imagem para ampliar |

 

 

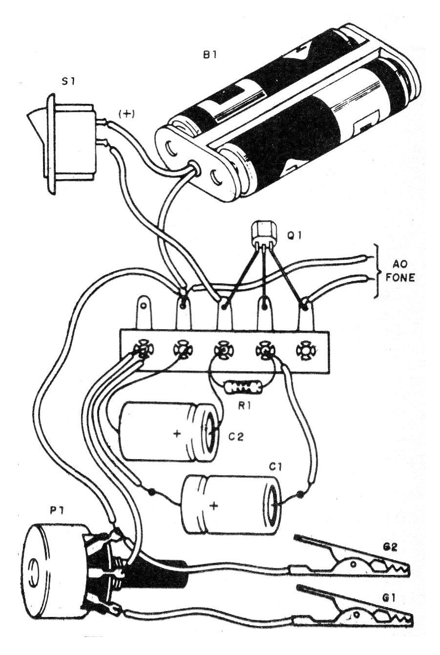
Como se utilizan pocos componentes, podemos hacer el montaje en un puente de terminales, como muestra la figura 2.

 

Figura 2- Montaje en puente de terminales
Figura 2- Montaje en puente de terminales | Clique na imagem para ampliar |

 

 

El jack debe ser de acuerdo con el enchufe del auricular que se va a utilizar. El transistor admite equivalentes. La conexión a la fuente de señal puede ser hecha por garras o por un cable con un enchufe.

 

 

Lista de material

 

Q1 - BC548 o equivalente-transistor NPN de uso general

R1- 1 M ohms x 1/8 W - resistor - marrón, negro, verde

C1- 10uF - capacitor electrolítico

C2- 100 uF - capacitor electrolítico

G1, G2- Garras jacaré

S1 - Interruptor simple

B1- 3 V- 2 pilas pequeñas

X1 - Auricular de 8 a 100 ohmios

Varios: puente de terminales, soporte de pilas, caja para montaje, hilos, soda, etc.