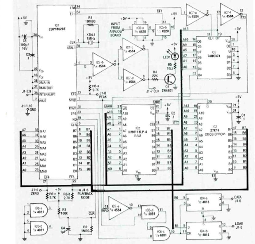
Sirve como referencia, ya que ahora podemos tener soluciones más sencillas y compactas. Este circuito es de un Radio Electronics Experimenterde 1992. Los circuitos integrados son de esa época.
Este circuito de convertidor de frecuencia x tensión se encontró en una publicación técnica...
En la figura damos un simple divisor por 2. La salida complementaria (Q /) está conectada a la...
Este circuito es de una documentación de Radio Shack de 1977. En él tenemos el accionamiento de un LED por...