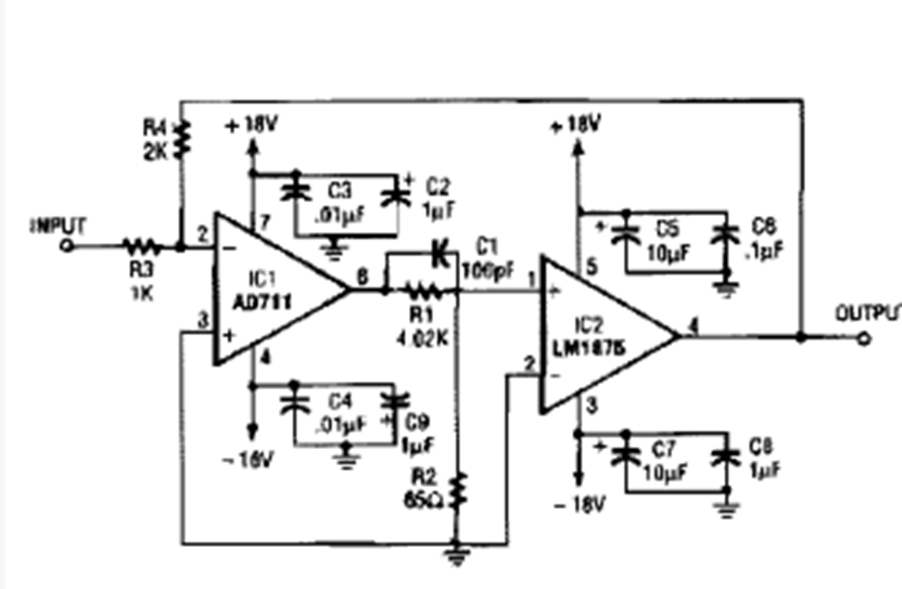
Encontrado en una Electronics Now de la década de 1990, este circuito utiliza un circuito integrado específico de la época que proporciona 10 W con una fuente simétrica de 18 V. El circuito integrado debe estar equipado con un disipador de calor.
Este circuito de convertidor de frecuencia x tensión se encontró en una publicación técnica...
En la figura damos un simple divisor por 2. La salida complementaria (Q /) está conectada a la...
Este circuito es de una documentación de Radio Shack de 1977. En él tenemos el accionamiento de un LED por...