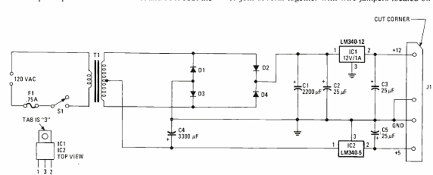
Esta fuente de alimentación para quienes quieran alimentar y recuperar disquetes de 5 ¼ fue encontrada en la edición especial de la revista Electronics Experimenter del año 1983.
Este circuito fue obtenido en una revista de 1979, pero puede montarse con facilidad aún hoy, pues...
Este circuito tiene una resistencia de entrada de 100 Mohms que permite la detección de corrientes...
Un pulso en la entrada deste circuito produce un sonido de bongo. Un amplificador externo debe ser...