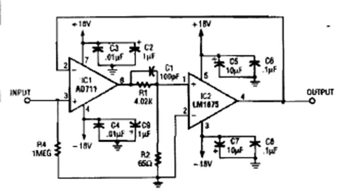
Encontrado en la revista Electronics Now en un número de los años 90, este circuito se diferencia del anterior porque invierte la fase de la señal aplicada al altavoz. La fuente debe ser simétrica a 18 V.
Este circuito de convertidor de frecuencia x tensión se encontró en una publicación técnica...
En la figura damos un simple divisor por 2. La salida complementaria (Q /) está conectada a la...
Este circuito es de una documentación de Radio Shack de 1977. En él tenemos el accionamiento de un LED por...