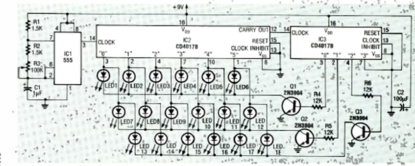
Este interesante circuito de 18 LED multiplexados fue encontrado en la revista Radio Electronics de febrero de 1992. El circuito tiene su velocidad controlada por R3. Los LED forman barras móviles de 6 LED.
Este circuito de convertidor de frecuencia x tensión se encontró en una publicación técnica...
En la figura damos un simple divisor por 2. La salida complementaria (Q /) está conectada a la...
Este circuito es de una documentación de Radio Shack de 1977. En él tenemos el accionamiento de un LED por...