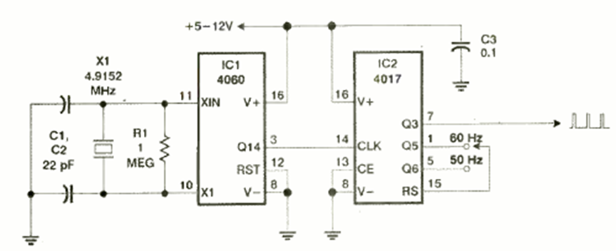
Este circuito basado en cristales puede generar señales precisas de 50 o 60 Hz. El circuito es de una revista Electronics Now de noviembre de 1998. La señal de salida consta de pulsos rectangulares.
Este circuito de convertidor de frecuencia x tensión se encontró en una publicación técnica...
En la figura damos un simple divisor por 2. La salida complementaria (Q /) está conectada a la...
Este circuito es de una documentación de Radio Shack de 1977. En él tenemos el accionamiento de un LED por...