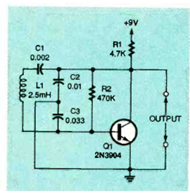
Este oscilador transistorizado, que es una modificación del oscilador Colpitts, fue encontrado en la edición de enero de 1996 de la revista Electronics Now. La frecuencia depende de L1.

Este oscilador transistorizado, que es una modificación del oscilador Colpitts, fue encontrado en la edición de enero de 1996 de la revista Electronics Now. La frecuencia depende de L1.
