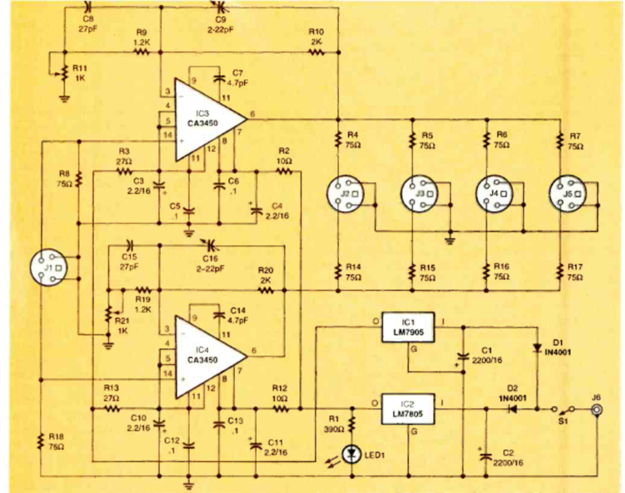
Encontramos este amplificador de vídeo con circuitos integrados de la época en la revista Eletrconics Now de julio de 1998. El circuito es para señales analógicas.
Este circuito también es un oscilador Hartley pero con potencia, pudiendo elevar la tensión de 12V...
El circuito mostrado en la figura 1 es ideal para obtener una tensión regulada de 13,6 V para...
Objetivo: Controlar la potencia aplicada a una carga a partir de la red de energía de 110 V o 220...