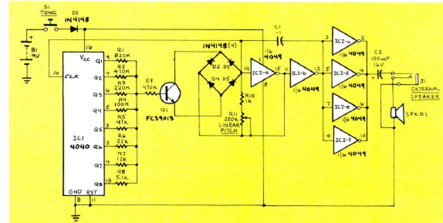
Encontrado en la revista Radio Electronics de junio de 1987, este circuito utiliza componentes CMOS bien conocidos. El circuito tiene una etapa amplificadora CMOS que activa un pequeño altavoz.
Este circuito de convertidor de frecuencia x tensión se encontró en una publicación técnica...
En la figura damos un simple divisor por 2. La salida complementaria (Q /) está conectada a la...
Este circuito es de una documentación de Radio Shack de 1977. En él tenemos el accionamiento de un LED por...