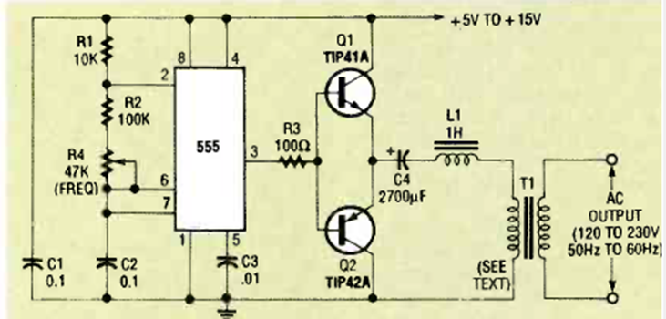
Se puede obtener un voltaje no sinusoidal de 120 V con este circuito que se encuentra en la revista Radio Electronics de diciembre de 1992. La potencia es de unos pocos watts.
Este circuito de convertidor de frecuencia x tensión se encontró en una publicación técnica...
En la figura damos un simple divisor por 2. La salida complementaria (Q /) está conectada a la...
Este circuito es de una documentación de Radio Shack de 1977. En él tenemos el accionamiento de un LED por...