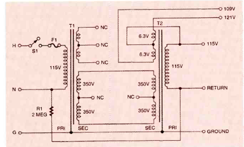
En la figura tenemos un excelente sistema de transformador de aislamiento para el banco. Este circuito fue sugerido por Electronics Now en diciembre de 1997.
Un indicador tipo "bargraph" o de barra móvil con 4 LEDs puede ser implementado conectando las...
El circuito presentado hace que las lámparas de 5 a 100 vatios parpadeen con el ritmo de la música de...
Con este circuito podemos accionar un relé a partir de señales muy débiles de audio o de corriente...