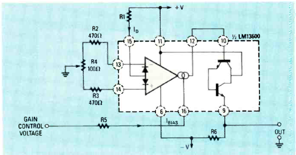
En la figura tenemos una forma de aplicar un control de ganancia en el OTA LM3600. El circuito es de una Radio Electronics de julio de 1988.
Un indicador tipo "bargraph" o de barra móvil con 4 LEDs puede ser implementado conectando las...
El circuito presentado hace que las lámparas de 5 a 100 vatios parpadeen con el ritmo de la música de...
Con este circuito podemos accionar un relé a partir de señales muy débiles de audio o de corriente...