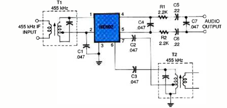
Este circuito con el NE602 fue encontrado en la edición de febrero de 1997 de la revista Electronics Now. El circuito integrado NE602 no es muy común hoy en día.
Este circuito produce el sonido de disparo de una ametralladora, con menor intensidad es claro, y sin...
Esta versión de oscilador sensible a la luz utiliza como sensor un foto-transistor o un transistor de...
El circuito de la figura 1 modula un LED emisor de infrarrojos a partir de señales de audio o...