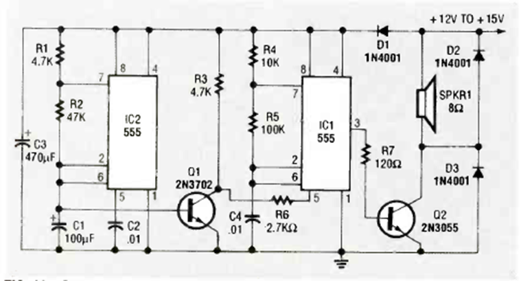
Esta es una de las muchas configuraciones de sirena posibles para el circuito integrado 555. La encontramos en la revista Radio Electronics de octubre de 1992. Tiene una etapa de potencia.
El circuito mostrado en la figura 1 activa una pequeña lámpara indicadora que parpadeará cuando la...
Con este circuito es posible probar transistores unijuntura (TUJ o UJT) como, por ejemplo, los más...
Este circuito está indicado para demostraciones del principio de funcionamiento de un flip-flop R-S...