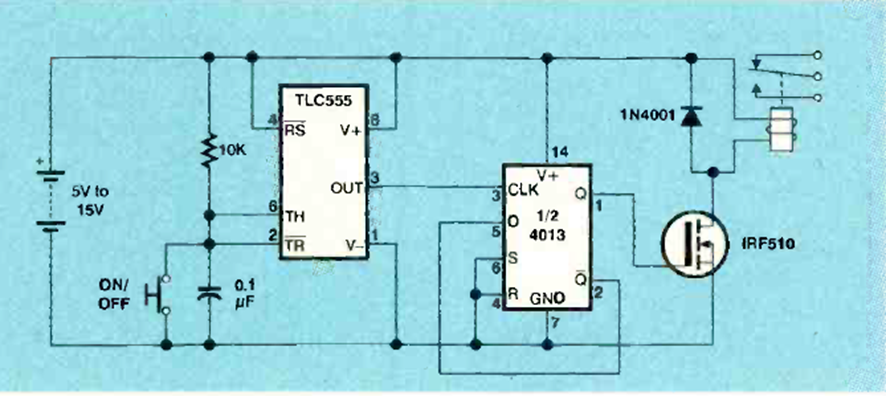
Este circuito biestable que acciona un relé con un pulsador fue encontrado en la edición pp6 del 1 de marzo de la revista Electronics Now. Se puede utilizar un bipolar común con una resistencia de 1k en la base en lugar del FET.
El circuito mostrado en la figura 1 activa una pequeña lámpara indicadora que parpadeará cuando la...
Con este circuito es posible probar transistores unijuntura (TUJ o UJT) como, por ejemplo, los más...
Este circuito está indicado para demostraciones del principio de funcionamiento de un flip-flop R-S...