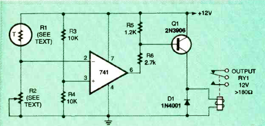
El circuito es de Electronics Now de junio de 1995. El relé depende de la potencia y tanto R1 como R2 deben tener resistencias similares en funcionamiento.
Este circuito produce el sonido de disparo de una ametralladora, con menor intensidad es claro, y sin...
Esta versión de oscilador sensible a la luz utiliza como sensor un foto-transistor o un transistor de...
El circuito de la figura 1 modula un LED emisor de infrarrojos a partir de señales de audio o...