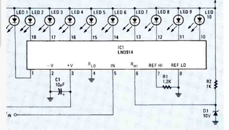
En la figura tenemos la forma de utilizar el Bargraph LM3914 con una fuente de voltaje de referencia externa. La referencia no puede ser mayor que la tensión de alimentación.
Este circuito se destina al control de cargas de corriente continua en el rango del 0 a 15 V con...
Samuel Morse fue el inventor del telégrafo, que es un sistema eléctrico de comunicaciones, capaz de...
Este circuito fue encontrado en una publicación europea de los años 80. El operativo utilizado no es...