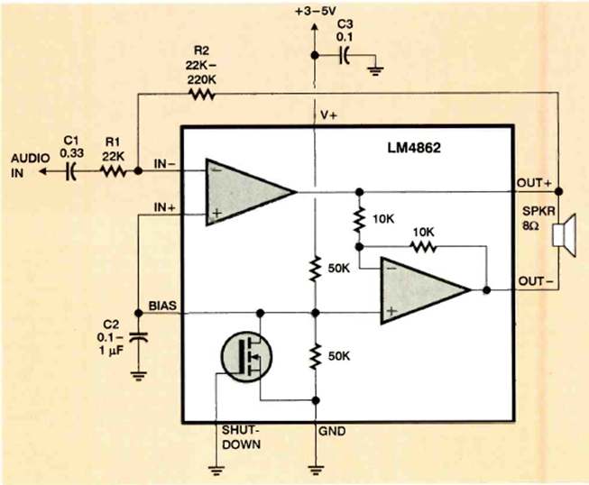
Encontramos este pequeño amplificador de audio en la revista Electronics Now de noviembre de 1999. El circuito integrado utilizado no es muy común hoy en día.
Me encontré este circuito en una revista francesa Radio Constructeur de 1968, salva de inundación (de...
Este circuito fue obtenido en una publicación sobre timers de Motorola de 1974. Los transistores admiten...
Este circuito detecta cuando una señal alcanza su valor máximo. La fuente debe ser simétrica y se...