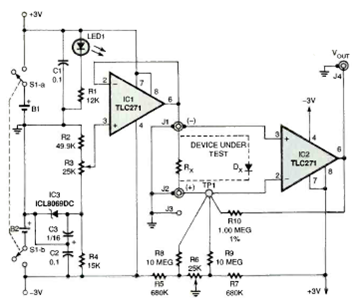
Con este circuito es posible agregar una escala de conductancia a un multímetro común. El circuito fue encontrado en la edición de febrero de 1997 de la revista Electronics Now.
Me encontré este circuito en una revista francesa Radio Constructeur de 1968, salva de inundación (de...
Este circuito fue obtenido en una publicación sobre timers de Motorola de 1974. Los transistores admiten...
Este circuito detecta cuando una señal alcanza su valor máximo. La fuente debe ser simétrica y se...