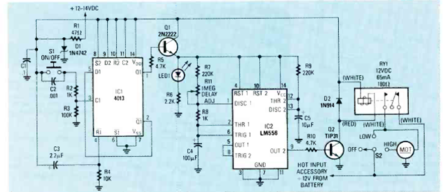
Este interruptor del limpiaparabrisas se encontró en la edición de abril de 1990 de la revista Radio Electronics. El circuito utiliza circuitos integrados que todavía se encuentran disponibles.
Me encontré este circuito en una revista francesa Radio Constructeur de 1968, salva de inundación (de...
Este circuito fue obtenido en una publicación sobre timers de Motorola de 1974. Los transistores admiten...
Este circuito detecta cuando una señal alcanza su valor máximo. La fuente debe ser simétrica y se...