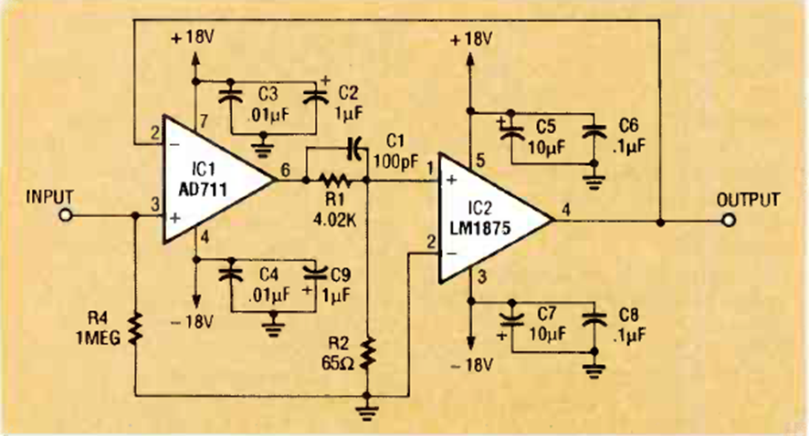
A diferencia del circuito anterior que es de tipo inversor, éste no es inversor. El circuito requiere una fuente de alimentación simétrica y se encontró en la revista Radio Electronics de noviembre de 1992.
En esta serie de Mini-Proyectos damos montajes simples que pueden ser realizados por principiantes...
El circuito mostrado en la figura 1 genera un tono intermitente en un transductor piezoeléctrico cuando se...
La frecuencia de este oscilador llega a algunos megahertz con el transistor indicado y depende del...