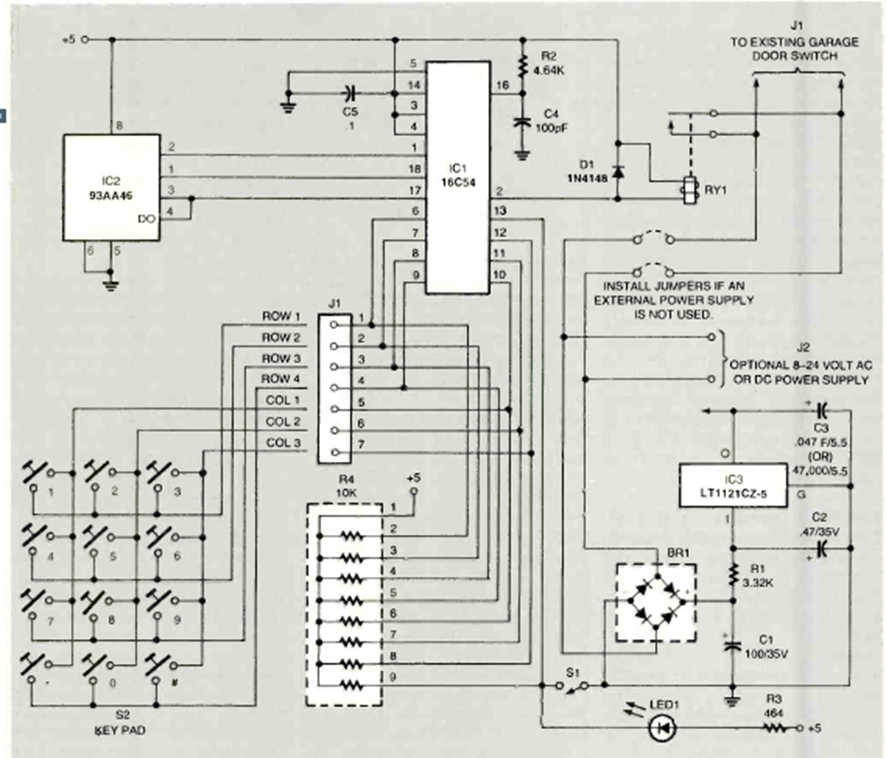
Encontramos este circuito con código clave en la edición de enero de 1999 de la revista Electronics Now. Algunos de los componentes son circuitos integrados de esa época.
Me encontré este circuito en una revista francesa Radio Constructeur de 1968, salva de inundación (de...
Este circuito fue obtenido en una publicación sobre timers de Motorola de 1974. Los transistores admiten...
Este circuito detecta cuando una señal alcanza su valor máximo. La fuente debe ser simétrica y se...