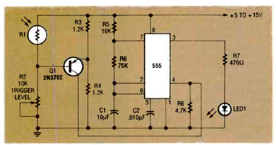
Encontramos este circuito en la edición de noviembre de 1992 de la revista Radio Electronics. El circuito utiliza un LDR como sensor y el transistor puede ser cualquier transistor de propósito general.
En esta serie de Mini-Proyectos damos montajes simples que pueden ser realizados por principiantes...
El circuito mostrado en la figura 1 genera un tono intermitente en un transductor piezoeléctrico cuando se...
La frecuencia de este oscilador llega a algunos megahertz con el transistor indicado y depende del...