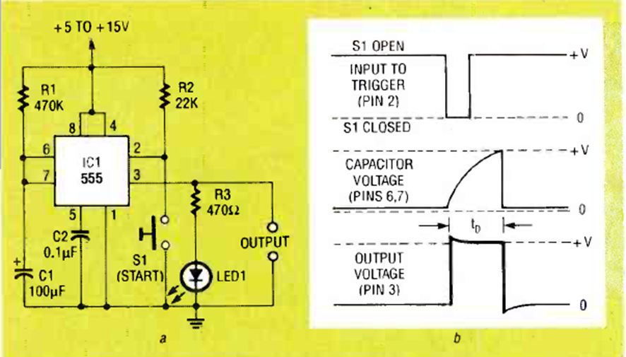
En un artículo de Radio Electronics de septiembre de 1992 encontramos este circuito básico 555 utilizado para generar tiempos fijos. El capacitor C1 y la resistencia R1 determinan el tiempo. El circuito controla un LED.
En esta serie de Mini-Proyectos damos montajes simples que pueden ser realizados por principiantes...
El circuito mostrado en la figura 1 genera un tono intermitente en un transductor piezoeléctrico cuando se...
La frecuencia de este oscilador llega a algunos megahertz con el transistor indicado y depende del...