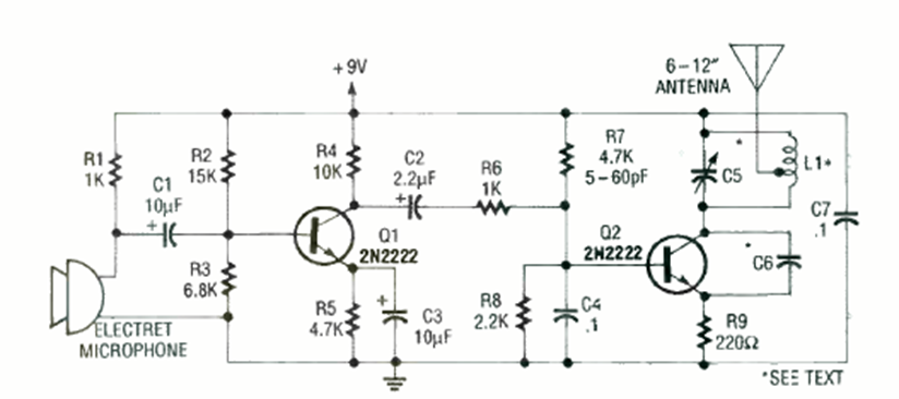
Este sencillo transmisor FM de dos transistores se encontró en la edición de noviembre de 1991 de la revista Radio Electronics. El circuito tiene una bobina de 2+2 vueltas de alambre sin forma de calibre 28 con un diámetro de 1 cm.
Me encontré este circuito en una revista francesa Radio Constructeur de 1968, salva de inundación (de...
Este circuito fue obtenido en una publicación sobre timers de Motorola de 1974. Los transistores admiten...
Este circuito detecta cuando una señal alcanza su valor máximo. La fuente debe ser simétrica y se...