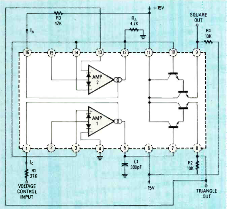
Encontramos este circuito en la edición de julio de 1988 de la revista Radio Electronics. Las frecuencias las proporciona el capacitor. C1 y la entrada de tensión se realiza en el pino 1.
El circuito presentado fue retirado de una antigua publicación inglesa de 1981, pero puede ser...
Este amplificador de guitarra a transistores apareció en la revista Radio Electronics en noviembre de...
Este circuito hace una lámpara incandescente de hasta 100 W parpadeando en una frecuencia que se...