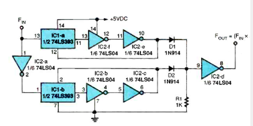
Este circuito TTL que se encuentra en la revista Electronics Now de septiembre de 1996 duplica la frecuencia de una señal rectangular. La fuente de alimentación debe ser de 5 V.
En esta serie de Mini-Proyectos damos montajes simples que pueden ser realizados por principiantes...
El circuito mostrado en la figura 1 genera un tono intermitente en un transductor piezoeléctrico cuando se...
La frecuencia de este oscilador llega a algunos megahertz con el transistor indicado y depende del...