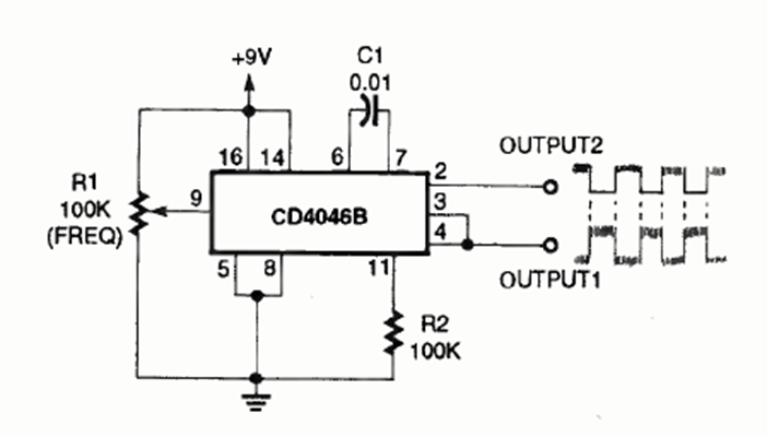
Este circuito fue encontrado en la edición de agosto de 1994 de la revista Electronics Now. El 4046 es poco común en estos días y el rango de frecuencia está dado por C1.
Si bien existen LEDs bicolores con parpadeante ya incluido, en una aplicación práctica pueden no ser...
En realidad, este montaje sirve para mostrar cómo funciona un acoplador óptico. En este tipo de...
Uno de los problemas de las linternas comunes que usan pilas es que se encienden con brillo único, no...