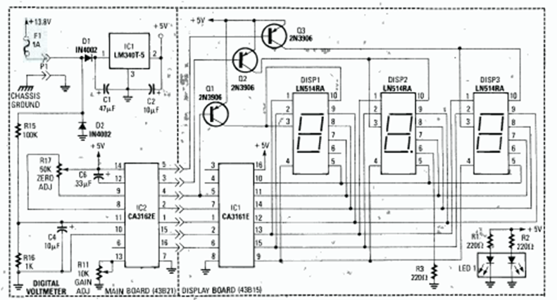
Este circuito de 3 dígitos se encontró en la edición especial de 1992 del Radio Electronics Handbook. El circuito produce un patrón de voltaje para pruebas de banco.
Si bien existen LEDs bicolores con parpadeante ya incluido, en una aplicación práctica pueden no ser...
En realidad, este montaje sirve para mostrar cómo funciona un acoplador óptico. En este tipo de...
Uno de los problemas de las linternas comunes que usan pilas es que se encienden con brillo único, no...