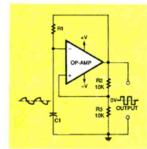
En la figura tenemos el circuito básico de un oscilador de relajación con amplificador operacional. La frecuencia está limitada a la operacional y la fuente debe ser simétrica.

En la figura tenemos el circuito básico de un oscilador de relajación con amplificador operacional. La frecuencia está limitada a la operacional y la fuente debe ser simétrica.
