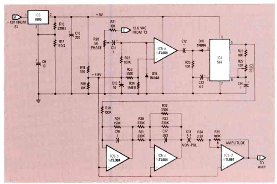
Este circuito fue encontrado como parte de otro proyecto en una revista Radio Electronics de enero de 1988. Las frecuencias están dadas por los capacitores de sincronización.
Encontramos este circuito con una resistencia de entrada muy alta en una documentación antigua. El...
Este amplificador de transistor no utiliza una fuente con un transformador alimentado directamente por la...
Conveniente para la operación con micrófonos de alta impedancia, este circuito se encontró en la...