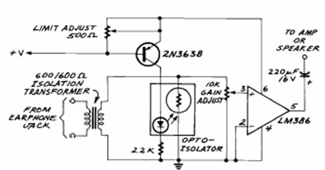
Encontramos este circuito en la edición de enero de 1992 de la revista Radio Electronics. El circuito consta de un control automático de ganancia.
Encontramos este circuito con una resistencia de entrada muy alta en una documentación antigua. El...
Este amplificador de transistor no utiliza una fuente con un transformador alimentado directamente por la...
Conveniente para la operación con micrófonos de alta impedancia, este circuito se encontró en la...