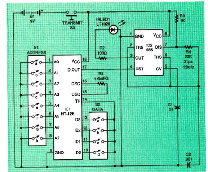
Este antiguo circuito de 4 canales fue encontrado en la revista Electronics Now de diciembre de 1994. El circuito utiliza un 556 como modulador. Anote la clave de programación del código.
Este circuito se destina al control de cargas de corriente continua en el rango del 0 a 15 V con...
Samuel Morse fue el inventor del telégrafo, que es un sistema eléctrico de comunicaciones, capaz de...
Este circuito fue encontrado en una publicación europea de los años 80. El operativo utilizado no es...