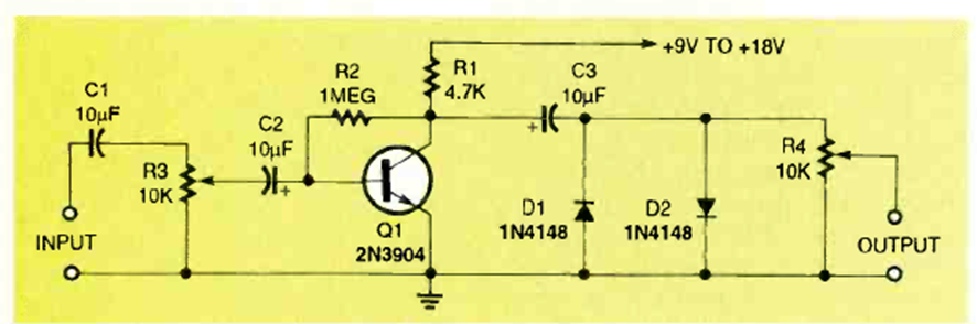
Este circuito es adecuado para su uso en receptores de radio, mejorando la calidad de las estaciones con señales débiles. El circuito fue sugerido por la revista Electronics Now en mayo de 1994.
Este circuito es de una Revista Española de Electrónica de 1986. Se trata de un amplificador con...
Los transistores más modernos equivalentes a lo indicado se pueden utilizar en este circuito, que se...
Este circuito se encontró en una publicación estadounidense de los años 90. La misma configuración aparece...